聯系人:王經理
銷售電話:13371051536
銷售QQ:1401548526
公司地址:山東省濰坊市高新區光電路155號光電產業加速器(一期)
13371051536

PRODUCT CENTER
聯系人:王經理
銷售電話:13371051536
銷售QQ:1401548526
公司地址:山東省濰坊市高新區光電路155號光電產業加速器(一期)

【產品簡介】土壤溫度、水分、電導率、含鹽量傳感器又稱土壤溫濕鹽傳感器,土壤溫度、水分、電導率、含鹽量傳感器是一款高精度、高靈敏度的測量土壤水分、溫度、電導率的傳感器。
一、土壤溫度、水分、電導率、含鹽量傳感器技術指標
土壤溫度、水分、電導率、含鹽量傳感器又稱土壤溫濕鹽傳感器,土壤溫度、水分、電導率、含鹽量傳感器是一款高精度、高靈敏度的測量土壤水分、溫度、電導率的傳感器。
1.供電:DC12V
2.功耗:小于0.1W
3.工作溫度:-30~70℃
4.通信接口:RS485
5.工作電流:8mA DC12V
6.最短數據間隔:60S
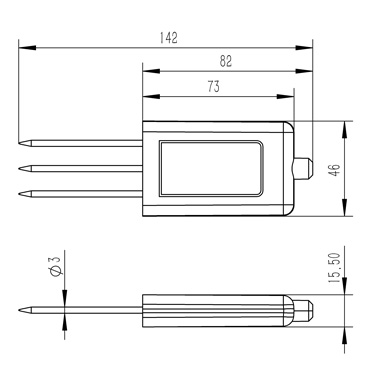
二、土壤溫度、水分、電導率、含鹽量傳感器產品尺寸圖

三、土壤溫度、水分、電導率、含鹽量傳感器使用注意事項
1.傳感器安裝應嚴格按照安裝使用說明書進行。
2.多個傳感器同時工作時,必須間隔5米以上距離。
3.傳感器測量原理限制,傳感器測量地為中心半徑5米范圍內不應有電磁線纜和強磁輻射干擾,
避免造成傳感器測量的巨大誤差和損壞。
4.傳感器的安裝環境應該符合傳感器的測量范圍,避免超量程等不規范行為。
5.傳感器安裝應避開強酸強堿、重油污重金屬環境進行。
6.傳感器為土壤測量傳感器,禁止將本傳感器對其他行為。
7.傳感器安裝環境不能有強振動。
8.傳感器不能有過強外力作用。
9.禁止拆卸,私自拆卸將不提供任何服務。
10.傳感器探針較為鋒利,使用時應按規定注意佩戴護具。
11.設備使用和維護應嚴格按照上述注意事項進行,如有違規使用的行為,本司不承擔相關負責
四、土壤溫度、水分、電導率、含鹽量傳感器傳感器參數
| 參數 | 測量范圍 | 精度 | 分辨率 | 單位 |
| 土壤溫度 | -30~70℃ | ±0.3(-10~50℃) | 0.01 | ℃ |
| 土壤含水率 | 0~100% | ±3%(壤土)高有機質土壤(土壤有機碳含量>12%)高粘粒含量土壤(粘粒含量>45%)由于其介電弛豫特性,可能需要針對特定土壤類型進行標定 | 0.01% | --- |
| 土壤電導率 | 0~20000 | ±3%(15℃,0~10000us/cm)±5%(全量程) | 1 | us/cm |
| 土壤含鹽量 | 0~12800 | ±3% | 1 | mg/L |
墑,即土壤適宜植物生長發育所需的濕度。墑情,土壤濕度狀況之統稱。土壤濕度是指土壤干濕程度或者土壤實際含水量,可由土壤含水量占烘干土重量百分比表示:土壤含水量=水分重量/烘干土重量X100%。土壤含水量也可用田間持水量的百分比或飽和水量的百分比等相對含水量表示:土壤含水量/田間持水量X100%或土壤含水量/飽和水量x100%。
微酸和微堿性土壤上小麥都能較好地生長,但最適宜高產小麥生長的土壤酸堿度為pH6.5~7.5。
手持式土壤 pH 測定儀是基于電位法原理設計的一種便攜式測土儀器。
管式多層土壤墑情監測儀有許多優點,如重量輕,安裝方便,使用簡單,測量精度高。儀器使用精密傳感器和智能芯片,主要包括土壤水分傳感器,土壤溫度傳感器和太陽能供電與傳輸裝置。